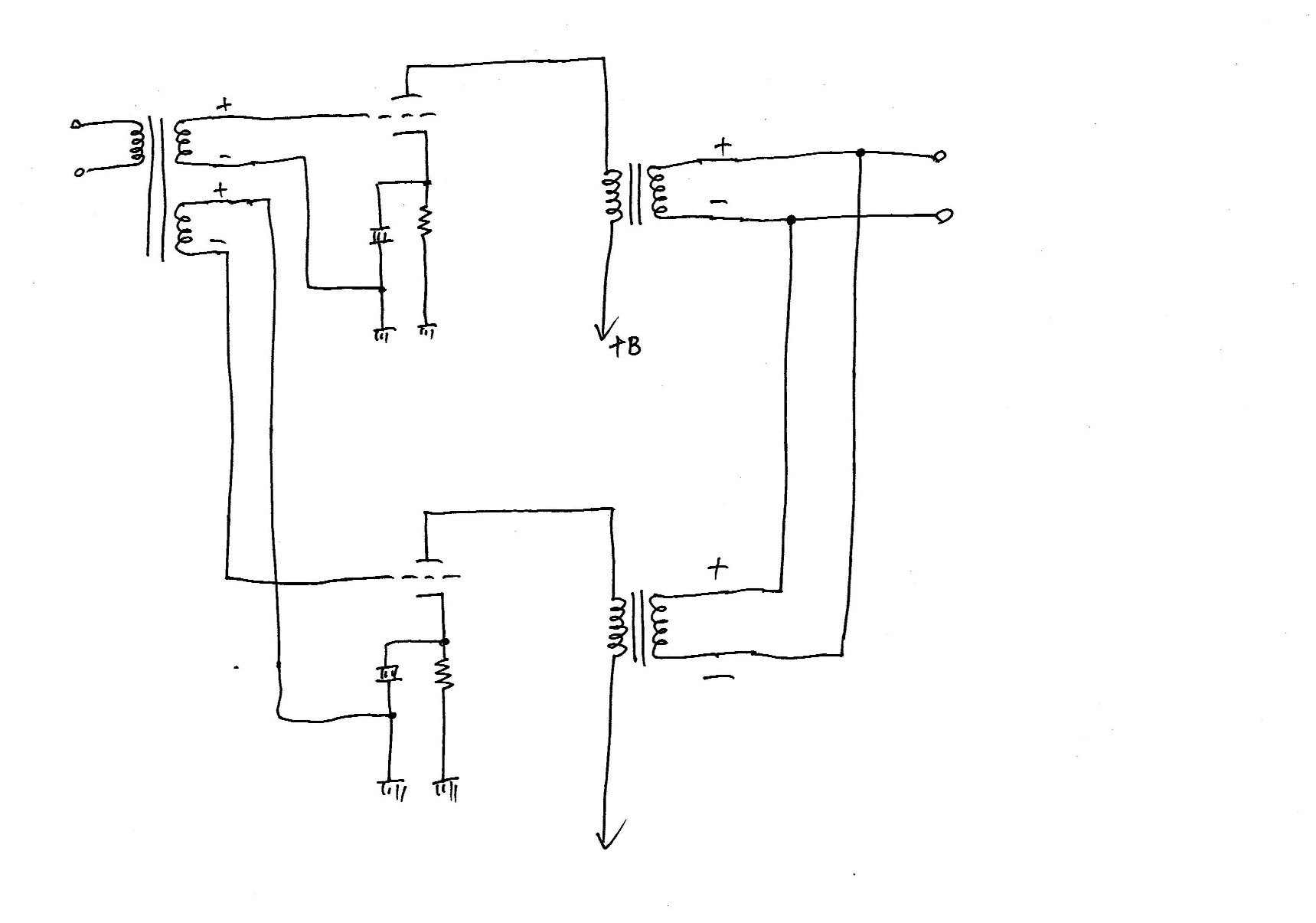
上記の回路図。此処二、三年、僕が自信を持って採用しているパワーアンプの回路です。
此処の愛読者ならハハ~~~ン。
シングル動作のステレオアンプ。極普通の回路です。
このアンプの入力を、トランスを使い逆相の入力にするんですね。
で、OPTの二次側を逆相でパラうんです。
こうすると入出力は最終的に同相。両chの出力が足されて2倍の出力に。
と書いちゃうと、単に出力アップか。って思われちゃうんですが、両chが逆相動作。
此処がミソなんですね。
逆相動作を両chで同量行う。
つまり、両chの合成電流値。変動がゼロ(理論値)に成るんです。
これって、電源のレギュレーションが無限大と同じ理屈に。
前々から言っていますよね。良いアンプを作りたければ良い電源を。
理論的にこの方式なら電源は信号によって振られない、非常に安定した電源と見られるんです。
実際に採用して、音質的なメリットは絶大。
一度でも経験したら、もう元には戻れません。
プッシュブルと同じって考えるかも知れませんが、プッシュブルのOPT。
僕の知る限り上下がイーブンのトランスを見た事が有りません。
まあトランスの巻き方を考えれば無理なんですね。
結果、付帯音の多い音に。
此れが僕がプッシュブルアンプを作らない理由なんです(過去に散々チャレンジしました)。
まあ、この付帯音が気に成らない方にはふざけるなって言われるんでしょうけど(汗)。
其の付帯音が気に成る為に、OPTを二個使うと言う贅沢な回路です。
で、この回路、完全に両chが同量の逆相動作をしているか?
絶対に有り得ません。各パーツの誤差分若干のズレが生じます(一番誤差の大きいのが真空管)。
其のズレを解消とは行かない迄も、減らせないか・・・・(今回の対策法は真空管の誤差をかなり消せます)?
其の解決策は引越し前に気付いていました。
で、引越しの慌ただしさに忘れていたんです。
数日前の夜。ノンビリと晩酌後のレコードを楽しんでいて・・・・。
今一、音楽にのめりこめない。何か不自然さを・・・・・・・。
で、ピコン。あれかなー・・・・・・。
夜の楽しみの時にもこう感じるって完全に職業病。
で、酔った頭で、アンプを裏返し、其のネタを実施。
正直この方法は理論的には正しい。でも耳で判る程の差が有るのかは不明。
でも理論的に正しい事はやってみないと気が済まないピンキー君なんです。
で・・・・・・・・・。
戻せない。
さて、どんな改造をしたのでしょう?
基本理論を理解している方なら、至極簡単な改造です。
非常に重要な追記です。
この回路の肝は入力トランス。
一般のトランスは逆相にしますと、高域特性が大きく変わります。
この様なトランスは使えません。
超有名な古典的なトランス等では絶対に使えない回路です。
この回路の成功は逆相接続をしても高域特性の変わらない入力トランスが必須です。
この記事のトラックバックURL
この記事へのトラックバック
