先日測定していたスピーカーユニット。
型番はアップしなかったのにシッカリとバレました(笑)。
見抜いた方へのお礼。
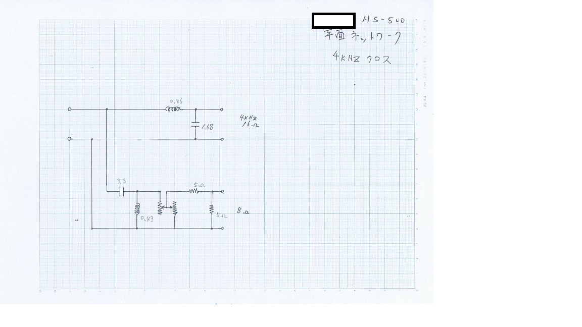
こんな感じの定数です。
アッテネーター後に入っている5Ωの抵抗2本。
これは変わるかも知れません。
ウーハーとツィーターの能率差が大きいのでアッテネーターだけで絞るとレベル調整に無理が出ます。
それの対策抵抗です。
で、此処にセメント抵抗やホーロー抵抗(メーカーは使っていますよね)の使用は禁止。
一般家庭でしたら可也の大音量の人でも1/2Wで十分です。
此処の抵抗が音質に与える影響は大きいですので良質な抵抗を使って下さい。
と言っても良質な抵抗は10Ω以上しか無いのが普通です。2本をパラレルにして使います。
さて、今日も暑くなりそう。此れからプレハブの中でダイエットに最適な作業が待っています(大汗)。
型番はアップしなかったのにシッカリとバレました(笑)。
見抜いた方へのお礼。
こんな感じの定数です。
アッテネーター後に入っている5Ωの抵抗2本。
これは変わるかも知れません。
ウーハーとツィーターの能率差が大きいのでアッテネーターだけで絞るとレベル調整に無理が出ます。
それの対策抵抗です。
で、此処にセメント抵抗やホーロー抵抗(メーカーは使っていますよね)の使用は禁止。
一般家庭でしたら可也の大音量の人でも1/2Wで十分です。
此処の抵抗が音質に与える影響は大きいですので良質な抵抗を使って下さい。
と言っても良質な抵抗は10Ω以上しか無いのが普通です。2本をパラレルにして使います。
さて、今日も暑くなりそう。此れからプレハブの中でダイエットに最適な作業が待っています(大汗)。
この記事のトラックバックURL
この記事へのトラックバック
