演奏の腕は全然上がらないのに、改造の腕だけが・・・・・・。
今朝、目が醒めたらイテテテテ・・。
三日連続のフライス仕事で、疲れが溜まったみたいで足がつった。
雑用も溜まっているし、今日は休もう。
2ヶ月も水換えをしなかった水槽の手入れをして、さて何をしよう(ノンビリゴロゴロが出来ない)。
そんな訳で・・。
始めましたよー。ストラトの改造。
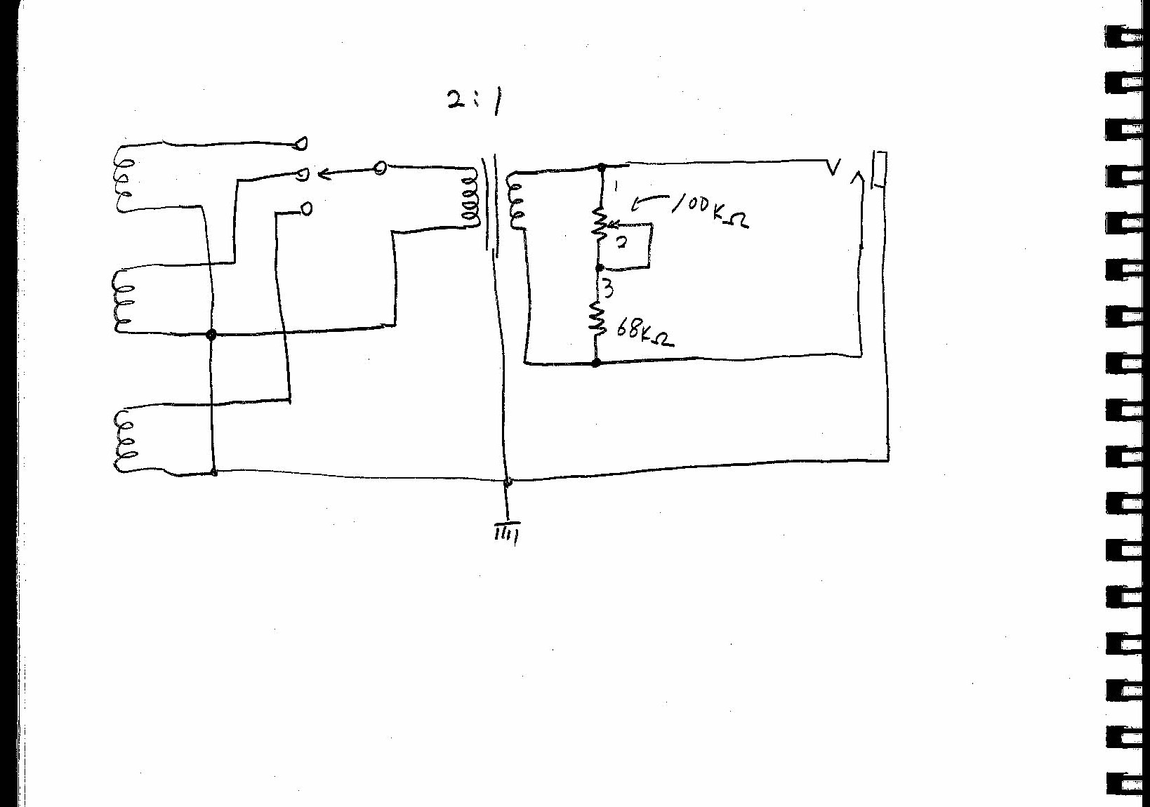
今回の回路図。
最初はトランスを3個入れるつもりだったんだけど、中身をジックリと見る。
1個で良いな(3個のメリットを感じない)。
トランスは小さいし、1個で良いので配置は簡単。
全体の感じ。
ピックアップの裏側には、導電テープを貼り、半田付け。
配線の反対側は・・。
まとめてアースへ落とします(この場合のアースはボディーアース)。
トランスはこんな感じ。
一個しかないポット。
トランス二次側のターミネーター抵抗値の調整用です。
回路から判ります様に、68kΩの下駄を履かせています。
此の抵抗値がゼロは有り得ませんので、実用範囲だけに抑える為です。
さて、此れから組み立て。
楽しみ楽しみ。
1時間後・・。
ヘヘ大成功。倍音成分が増えた所為か、音色が豊か。
音がイッパイ出てくる、と言う感じです。
原因は、インピーダンスが下がり、シールドで喰われてしまっていた高調波成分が出て来た所為です。
調整用のVRも中々で、でも此の感じでしたら下駄の抵抗はもっと小さくても良かったですね。
と言う事は、ピックアップの出力インピーダンスは可也低い。と言う事なんですね。
ピックアップメーカーは意味の無いDCRなんて発表しないでインピーダンスで表示してくれると、この辺の設定が凄く楽に成るのですが・・・・。
あ、ちなみにここのVR(ポット)はBカーブを使います。一般のAカーブでは使い辛いと思います。
オオット。ノイズレベルですよね。
一般家庭で、此の音量で練習したら、家人から絶対クレーム(勿論、家の外でも十分聴こえます)。と言う程度で、スピーカーに10cm位まで近付くと、僅かにジーと言う音が聞こえます。
シングルピックアップですからねー・・・。
今朝、目が醒めたらイテテテテ・・。
三日連続のフライス仕事で、疲れが溜まったみたいで足がつった。
雑用も溜まっているし、今日は休もう。
2ヶ月も水換えをしなかった水槽の手入れをして、さて何をしよう(ノンビリゴロゴロが出来ない)。
そんな訳で・・。
始めましたよー。ストラトの改造。
今回の回路図。
最初はトランスを3個入れるつもりだったんだけど、中身をジックリと見る。
1個で良いな(3個のメリットを感じない)。
トランスは小さいし、1個で良いので配置は簡単。
全体の感じ。
ピックアップの裏側には、導電テープを貼り、半田付け。
配線の反対側は・・。
まとめてアースへ落とします(この場合のアースはボディーアース)。
トランスはこんな感じ。
一個しかないポット。
トランス二次側のターミネーター抵抗値の調整用です。
回路から判ります様に、68kΩの下駄を履かせています。
此の抵抗値がゼロは有り得ませんので、実用範囲だけに抑える為です。
さて、此れから組み立て。
楽しみ楽しみ。
1時間後・・。
ヘヘ大成功。倍音成分が増えた所為か、音色が豊か。
音がイッパイ出てくる、と言う感じです。
原因は、インピーダンスが下がり、シールドで喰われてしまっていた高調波成分が出て来た所為です。
調整用のVRも中々で、でも此の感じでしたら下駄の抵抗はもっと小さくても良かったですね。
と言う事は、ピックアップの出力インピーダンスは可也低い。と言う事なんですね。
ピックアップメーカーは意味の無いDCRなんて発表しないでインピーダンスで表示してくれると、この辺の設定が凄く楽に成るのですが・・・・。
あ、ちなみにここのVR(ポット)はBカーブを使います。一般のAカーブでは使い辛いと思います。
オオット。ノイズレベルですよね。
一般家庭で、此の音量で練習したら、家人から絶対クレーム(勿論、家の外でも十分聴こえます)。と言う程度で、スピーカーに10cm位まで近付くと、僅かにジーと言う音が聞こえます。
シングルピックアップですからねー・・・。
トラックバック() | コメント(7)
無題
kou ono やっぱりスイッチの後でも十分使えるんですね。
無題
ピンキー 今回はSSSでしたので行けました。ハムとシングルの混成の場合は其々に付け様と思っています。
それと僕はハーフトーンを使わないので、1個で済ませましたが、ハーフトーンを多用する場合は、1個で良いか個別に必要か確認しないといけないかと・・・。
無題
kou ono 私はベースをオーダー中なのですが、2ピックアップでセレクターは使わない予定なので2個注文してみました。受注生産らしいので年内に届けば良いですね。
無題
ピンキー 2個注文ってトランスですか?
ベースの出力って大きいのでは・・・・・。
トランスの使い方って結構ノウハウが有るのです。
単に入れれば良いと言う世界ではないので・・・・。
無題
kou ono そうなのですか、たしかに出力かなり大きいと思います。簡単ではないのですね。
無題
ピンキー kou ono さま。
ブログにアップするのには限界が有ります。
細かな事は http://hayashilab.syuriken.jp/audio.htm
此処の下の方に僕への質問箱が有ります。
此処へご記入下さい。わかる範囲で応えたいと思います。
トランスの使い方を細かくアップし始めますと、何ページに成るのか・・・。
使用個別での判断が必要なのです。
無題
kou ono 人生初のオーダーベースを依頼しているところで、年内に完成しそうな感じです。トランス届きましたらご相談させてください。よろしくお願いいたします。
kou ono やっぱりスイッチの後でも十分使えるんですね。
無題
ピンキー 今回はSSSでしたので行けました。ハムとシングルの混成の場合は其々に付け様と思っています。
それと僕はハーフトーンを使わないので、1個で済ませましたが、ハーフトーンを多用する場合は、1個で良いか個別に必要か確認しないといけないかと・・・。
無題
kou ono 私はベースをオーダー中なのですが、2ピックアップでセレクターは使わない予定なので2個注文してみました。受注生産らしいので年内に届けば良いですね。
無題
ピンキー 2個注文ってトランスですか?
ベースの出力って大きいのでは・・・・・。
トランスの使い方って結構ノウハウが有るのです。
単に入れれば良いと言う世界ではないので・・・・。
無題
kou ono そうなのですか、たしかに出力かなり大きいと思います。簡単ではないのですね。
無題
ピンキー kou ono さま。
ブログにアップするのには限界が有ります。
細かな事は http://hayashilab.syuriken.jp/audio.htm
此処の下の方に僕への質問箱が有ります。
此処へご記入下さい。わかる範囲で応えたいと思います。
トランスの使い方を細かくアップし始めますと、何ページに成るのか・・・。
使用個別での判断が必要なのです。
無題
kou ono 人生初のオーダーベースを依頼しているところで、年内に完成しそうな感じです。トランス届きましたらご相談させてください。よろしくお願いいたします。
この記事へのコメント
やっぱりスイッチの後でも十分使えるんですね。
今回はSSSでしたので行けました。ハムとシングルの混成の場合は其々に付け様と思っています。
それと僕はハーフトーンを使わないので、1個で済ませましたが、ハーフトーンを多用する場合は、1個で良いか個別に必要か確認しないといけないかと・・・。
それと僕はハーフトーンを使わないので、1個で済ませましたが、ハーフトーンを多用する場合は、1個で良いか個別に必要か確認しないといけないかと・・・。
私はベースをオーダー中なのですが、2ピックアップでセレクターは使わない予定なので2個注文してみました。受注生産らしいので年内に届けば良いですね。
2個注文ってトランスですか?
ベースの出力って大きいのでは・・・・・。
トランスの使い方って結構ノウハウが有るのです。
単に入れれば良いと言う世界ではないので・・・・。
ベースの出力って大きいのでは・・・・・。
トランスの使い方って結構ノウハウが有るのです。
単に入れれば良いと言う世界ではないので・・・・。
そうなのですか、たしかに出力かなり大きいと思います。簡単ではないのですね。
kou ono さま。
ブログにアップするのには限界が有ります。
細かな事は http://hayashilab.syuriken.jp/audio.htm
此処の下の方に僕への質問箱が有ります。
此処へご記入下さい。わかる範囲で応えたいと思います。
トランスの使い方を細かくアップし始めますと、何ページに成るのか・・・。
使用個別での判断が必要なのです。
ブログにアップするのには限界が有ります。
細かな事は http://hayashilab.syuriken.jp/audio.htm
此処の下の方に僕への質問箱が有ります。
此処へご記入下さい。わかる範囲で応えたいと思います。
トランスの使い方を細かくアップし始めますと、何ページに成るのか・・・。
使用個別での判断が必要なのです。
人生初のオーダーベースを依頼しているところで、年内に完成しそうな感じです。トランス届きましたらご相談させてください。よろしくお願いいたします。
この記事のトラックバックURL
この記事へのトラックバック
