考えて見ると電卓の計算だけの定数アップも面白いかなと・・・・。
計算だけでの定数と、実際に動作させてからの定数の変更って興味がありませんか?
そんな訳で・・・・・・。
電源のリップルフィルターのコンデンサー容量は、ハムの出ない範囲で出来るだけ小容量を使います。
でかいのを使えばハムは簡単に消えますが、音質がボケるんですね。
シャシが上がって来たら(アルマイト加工)組み立て開始。
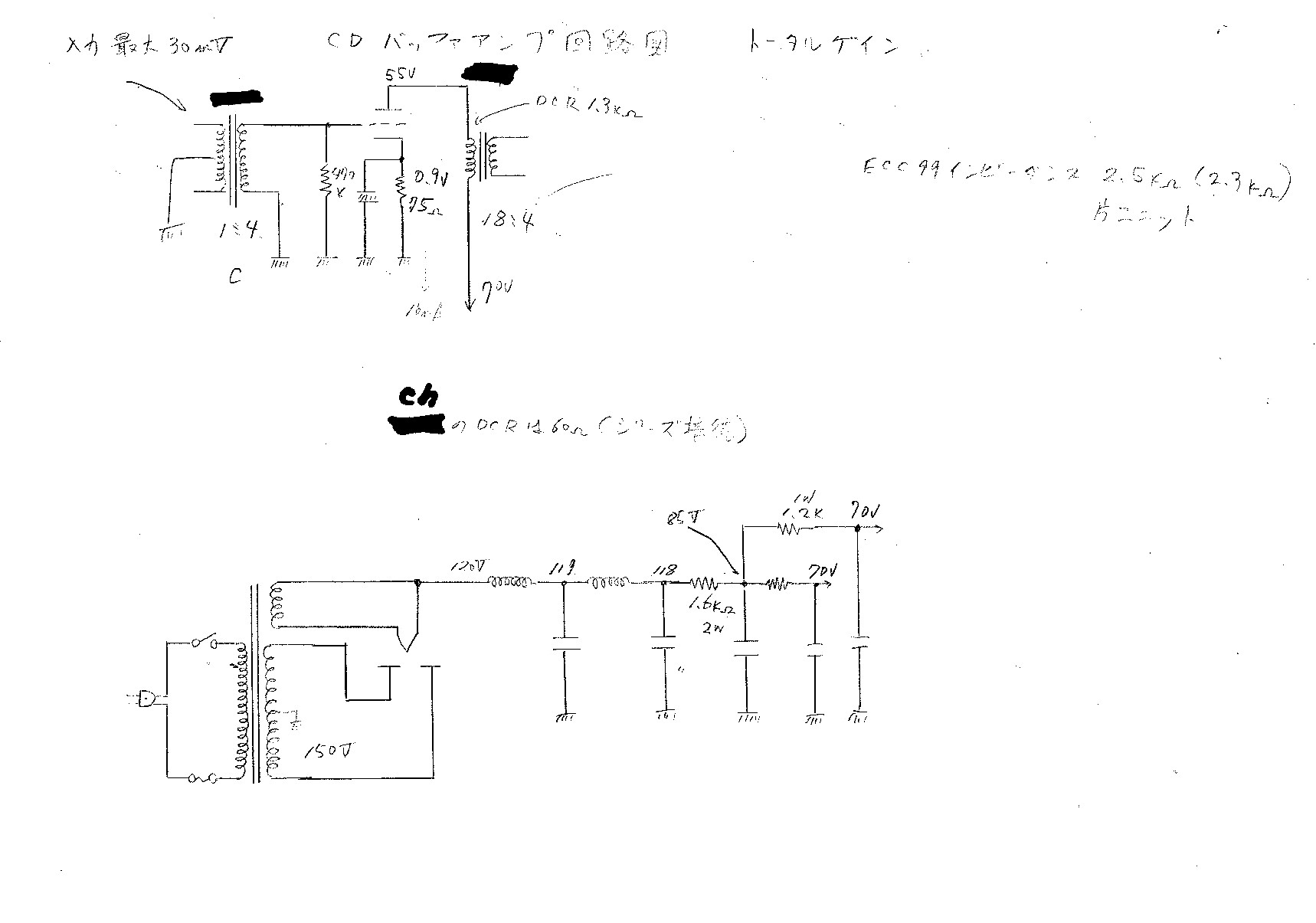
計算上と同じ電圧(電流)でしたらOK。
違う場合は微調整です。
ちなみにDAコンバーターの出力には2:1のトランスが入ります。
昔は1;1のトランス(一番安定したデーターが出せる)ばかり使っていましたが、今はインピーダンスを考えて、昇圧したり降圧したりしています。
エーーー。気付いた方がいるかと・・・・・。
CD用のアナログアンプ。一般には入力にハイカット(ローパス)フィルターが入ります。
最初は入れるつもりだったのですが、DACとアナログアンプの間に2個もトランスが入るんですね。
トランスは良質なバンドパスフィルター。
トランスがやってくれるんではないかな?
そんな訳で、取りあえずフィルター無しで行きます。
拙かったら入れれば良いだけですので。
計算だけでの定数と、実際に動作させてからの定数の変更って興味がありませんか?
そんな訳で・・・・・・。
電源のリップルフィルターのコンデンサー容量は、ハムの出ない範囲で出来るだけ小容量を使います。
でかいのを使えばハムは簡単に消えますが、音質がボケるんですね。
シャシが上がって来たら(アルマイト加工)組み立て開始。
計算上と同じ電圧(電流)でしたらOK。
違う場合は微調整です。
ちなみにDAコンバーターの出力には2:1のトランスが入ります。
昔は1;1のトランス(一番安定したデーターが出せる)ばかり使っていましたが、今はインピーダンスを考えて、昇圧したり降圧したりしています。
エーーー。気付いた方がいるかと・・・・・。
CD用のアナログアンプ。一般には入力にハイカット(ローパス)フィルターが入ります。
最初は入れるつもりだったのですが、DACとアナログアンプの間に2個もトランスが入るんですね。
トランスは良質なバンドパスフィルター。
トランスがやってくれるんではないかな?
そんな訳で、取りあえずフィルター無しで行きます。
拙かったら入れれば良いだけですので。
この記事のトラックバックURL
この記事へのトラックバック
