エレキギターの超初心者が言いたいことを言ってます。
よくもまあ、炎上しないで無事に・・・・・・(汗)。
で、何本ものギターの電気回路を弄くっていて、欲しい情報としてはピックアップの出力インピーダンス。
メーカーからの発表はDCRだけ。メーカーによってはDCRの表示も無い。
電気パーツですよー。基本情報は欲しい。
いえね、何本ものギターを弄って、ポットの適正値が判らない。
山勘で弄って巧く行ったり駄目だったり・・・・・。
山勘って駄目ですよね。きちんとした理論で決めないと・・・・。
今日は、そのポット値をミスったギターで遊びます。
負荷抵抗値を最大に調整すると何とか合格ライン。
ギター其の物のグレードは可也の物。要は僕が負荷抵抗値を間違えた(少な過ぎる)。
で、ギターと遊びながら・・・・・・・・・・・。
なんで今迄気付かなかったのよ。
ピックアップに巻いてあるコイルの線径は同じと仮定して・・。
DCRが倍と言う事は、倍の長さのコイルを巻いてある。
この場合、インピーダンスは4倍に成ります。
つまり、DCRの二乗のインピーダンスに成るんですね。
で、メーカーのポットの値。
DCRが倍に成るとポットも倍。
音はさておいて、電気的には非常に拙い。
具体的に書きますと、普通のシングルピックアップに対して、ハムは4倍の抵抗値のポットが必要です。
で、今回問題を起こしたエリートシンライン。見た目はシングルですが中身は(電気的に)ハム。
DCRが凄く高いのです。
そう考えると、今のポットの値は完全に僕のミス。
最近は、バラしたギターのピックアップのDCRを測っています。
色々と面白い値が出て来ます。
普通の構造でしたら、DCRの少ないピックアップはノイズも少ない(電気的には当たり前)。
フェンダーのノイズレスピックアップ。高い抵抗値のポットを欲しがっています。
ポットの値で、同じピックアップの音は全然変わります。
その辺をコントロールしたくて、負荷抵抗の可変にポットを使っているんですね。
もう気付きましたよね。
二つのピックアップの出力。パラ接続とシリーズ接続の選べるギターが結構有ります。
この場合(シリーズ接続)、ポットの値を4倍にしないと正しい音は出ません。
パラった場合は、DCRは半分に成りますがインピーダンスは其の侭です。
電気回路。インピーダンスって凄く大切なんですが、正しく理解している人って本当に少ないです。
よくもまあ、炎上しないで無事に・・・・・・(汗)。
で、何本ものギターの電気回路を弄くっていて、欲しい情報としてはピックアップの出力インピーダンス。
メーカーからの発表はDCRだけ。メーカーによってはDCRの表示も無い。
電気パーツですよー。基本情報は欲しい。
いえね、何本ものギターを弄って、ポットの適正値が判らない。
山勘で弄って巧く行ったり駄目だったり・・・・・。
山勘って駄目ですよね。きちんとした理論で決めないと・・・・。
今日は、そのポット値をミスったギターで遊びます。
負荷抵抗値を最大に調整すると何とか合格ライン。
ギター其の物のグレードは可也の物。要は僕が負荷抵抗値を間違えた(少な過ぎる)。
で、ギターと遊びながら・・・・・・・・・・・。
なんで今迄気付かなかったのよ。
ピックアップに巻いてあるコイルの線径は同じと仮定して・・。
DCRが倍と言う事は、倍の長さのコイルを巻いてある。
この場合、インピーダンスは4倍に成ります。
つまり、DCRの二乗のインピーダンスに成るんですね。
で、メーカーのポットの値。
DCRが倍に成るとポットも倍。
音はさておいて、電気的には非常に拙い。
具体的に書きますと、普通のシングルピックアップに対して、ハムは4倍の抵抗値のポットが必要です。
で、今回問題を起こしたエリートシンライン。見た目はシングルですが中身は(電気的に)ハム。
DCRが凄く高いのです。
そう考えると、今のポットの値は完全に僕のミス。
最近は、バラしたギターのピックアップのDCRを測っています。
色々と面白い値が出て来ます。
普通の構造でしたら、DCRの少ないピックアップはノイズも少ない(電気的には当たり前)。
フェンダーのノイズレスピックアップ。高い抵抗値のポットを欲しがっています。
ポットの値で、同じピックアップの音は全然変わります。
その辺をコントロールしたくて、負荷抵抗の可変にポットを使っているんですね。
もう気付きましたよね。
二つのピックアップの出力。パラ接続とシリーズ接続の選べるギターが結構有ります。
この場合(シリーズ接続)、ポットの値を4倍にしないと正しい音は出ません。
パラった場合は、DCRは半分に成りますがインピーダンスは其の侭です。
電気回路。インピーダンスって凄く大切なんですが、正しく理解している人って本当に少ないです。
プリアンプ用のケミコン。本日到着予定(ヤット)。
只待っているのは苦手。
チョイの時間に出来る仕事・・・・・・。
老眼には辛い(笑)。
可也前に入ったトランス。ギター用です。
ギター内部配線よりもこちらの方が大変。
写真で判りますよね。
この沢山のピン間を接続して、此方の欲しいトランスにします。
ギターの場合はハイインピーダンスの2:1(同じ2:1でもローインピーダンスも選べる)。
この辺がルンダールの良さですけど、使い方の判らない方にはナヌ・・・・?
ピン間の接続には、極細の錫メッキ線をテフロンチューブに通して使います。
テフロンチューブはハンダの熱に負けないので、こう言う所に使うのに最適なんですね。
もう直ぐケミコンが入って来る筈なので、とりあえず此処で終了。
アンプが完成してから、ギター改造に掛かります。
只待っているのは苦手。
チョイの時間に出来る仕事・・・・・・。
老眼には辛い(笑)。
可也前に入ったトランス。ギター用です。
ギター内部配線よりもこちらの方が大変。
写真で判りますよね。
この沢山のピン間を接続して、此方の欲しいトランスにします。
ギターの場合はハイインピーダンスの2:1(同じ2:1でもローインピーダンスも選べる)。
この辺がルンダールの良さですけど、使い方の判らない方にはナヌ・・・・?
ピン間の接続には、極細の錫メッキ線をテフロンチューブに通して使います。
テフロンチューブはハンダの熱に負けないので、こう言う所に使うのに最適なんですね。
もう直ぐケミコンが入って来る筈なので、とりあえず此処で終了。
アンプが完成してから、ギター改造に掛かります。
預かったギター、内部を見た事は一度も無い。
オイオイ、トランスの入るスペースは有るのかよ・・?
標準配線とスペースの確認で、ピックガードを外しました。
初めてのギターですから、手順にチョイ手間取りましたが、無事に取り外せました。
内部配線は思った通りで、アースラインとコールドラインを共通に引き回しています。
此れじゃノイズの餌食だよね。
トランスの入るスペースの確認。
使うトランスは未だ入手出来ていませんが、同じサイズのトランスが有りましたので、確認は十分出来ます。
バッチリセーフ。
勿論ポットも良質な物へ交換します。
で、此のギターのツマミ。滑り止めのギザギザが有るのは良いんですが、此のギザギザ、先がとんがっている。
つまり痛い・・・・・。
この辺の交換も頼まれました。
今日はとりあえずトランス無しで配線をして見ます。
その結果で、トランスの巻き数比を決めます。
此れで、ノイズからは開放されます。
此の写真では、ギターはバレませんよね(汗)。
オイオイ、トランスの入るスペースは有るのかよ・・?
標準配線とスペースの確認で、ピックガードを外しました。
初めてのギターですから、手順にチョイ手間取りましたが、無事に取り外せました。
内部配線は思った通りで、アースラインとコールドラインを共通に引き回しています。
此れじゃノイズの餌食だよね。
トランスの入るスペースの確認。
使うトランスは未だ入手出来ていませんが、同じサイズのトランスが有りましたので、確認は十分出来ます。
バッチリセーフ。
勿論ポットも良質な物へ交換します。
で、此のギターのツマミ。滑り止めのギザギザが有るのは良いんですが、此のギザギザ、先がとんがっている。
つまり痛い・・・・・。
この辺の交換も頼まれました。
今日はとりあえずトランス無しで配線をして見ます。
その結果で、トランスの巻き数比を決めます。
此れで、ノイズからは開放されます。
此の写真では、ギターはバレませんよね(汗)。
昨日の続きです。
朝食後の食休み中にコチョコチョと・・・・・。
ギターの出力フォーンをステレオタイプに交換します。
こうするとアースラインは理想通りの引き回しが出来ます。
只、シールドも作り直しに成ります。
此のタイプのシールドは市販されていませんので、自作しかないのです。
半田付けが出来る方なら難しくない作業です。
まず、ステレオフォーンに交換した場合の配線図。
此れでやっと、ピックアップの3本出力が活きて来ます。
フォーン端子に此れだけの本数を纏めるのは非常に難しいですので、フォーン近くにラグ板を設置すると楽に纏められます。
続いてシールド。
図でお判りと思いますが、配線材料には2芯シールドを使います。
ギター側はステレオプラグ。アンプ側はモノラルプラグです。
本当はアンプ側にもステレオタイプにしたいのですが、市販アンプ内のアース引き回しが判りませんので、此の配線が無難です。
正直、預かっているギターの音は良いのですがジーーーーーにイライラ。
トランスの来る前にアースだけ引き直しちゃおうかなー・・・・・。
ちなみにジャパンストラト。ハムとシングルでのノイズ差は有りません。と言うかノイズレスです。
朝食後の食休み中にコチョコチョと・・・・・。
ギターの出力フォーンをステレオタイプに交換します。
こうするとアースラインは理想通りの引き回しが出来ます。
只、シールドも作り直しに成ります。
此のタイプのシールドは市販されていませんので、自作しかないのです。
半田付けが出来る方なら難しくない作業です。
まず、ステレオフォーンに交換した場合の配線図。
此れでやっと、ピックアップの3本出力が活きて来ます。
フォーン端子に此れだけの本数を纏めるのは非常に難しいですので、フォーン近くにラグ板を設置すると楽に纏められます。
続いてシールド。
図でお判りと思いますが、配線材料には2芯シールドを使います。
ギター側はステレオプラグ。アンプ側はモノラルプラグです。
本当はアンプ側にもステレオタイプにしたいのですが、市販アンプ内のアース引き回しが判りませんので、此の配線が無難です。
正直、預かっているギターの音は良いのですがジーーーーーにイライラ。
トランスの来る前にアースだけ引き直しちゃおうかなー・・・・・。
ちなみにジャパンストラト。ハムとシングルでのノイズ差は有りません。と言うかノイズレスです。
エーー、先にアップしました回路。一部間違えていました(酔っている所為ではないですよー)。修正しましたのでチェックして下さい。
で、ノイズを出さない配線の引き回し。簡単ですよー、でもメンドイですよー・・・。
出力のフォーンジャックへ全て落とします。
どうせ繋がるんだから。と、途中で線を繋いで少ない本数にしたら貴方は基本が判っていない。
とんでもない本数がジャックへ繋がりますが、此の通りにして下さい。
更に、弦アース(ストラトの場合はスプリングホルダー)、ボディアース(導電塗料)、ピックガードの裏面アルミ箔、からも、単独でジャックへ配線します。
そうなんですよ。アースは全て別々にアースポイントへ引くのが基本です。
僕の作るアンプも、アースポイントへは凄い数のアースラインがまとめて有ります。
今回はモノラルジャックを想定しました(部品は一切換えない)。
ステレオジャックの配線は明日アップします。
ステレオジャックを使っても、自作シールドにすればアンプ側は一切弄らないで大丈夫です。
勿論、ステレオジャック+自作シールドの方がノイズも少ないですし音質もアップします。
僕の勧める自作シールド。市販の高額なシールドよりも安価です。
只今の状態。ノイズで悩む筈のシングルコイルでも一切ノイズは有りません。
ですので、ノイズ対策でのハムは必要ないんですね。
ハムの音色が欲しい時だけに成ります。
で、此の配線の引き回し変更。本当に効くんですよ。4本のギターを順次換えたのですが、仕事の合間を盗んでと言う状態でしたから、どれをやったかなー・・・・(日記にはつけて有る)?
ある日、1本のギターで遊んでいた。なんか音の抜けが今一。日記を見たら配線変更をしていなかった(記憶ではしたと勘違い)。他のギターが変更済みなので、其方の音が僕の標準に・・。
慌てて変更したら不満点が解消。
さて、預かったギター。一切弄っていません。それなのにチューン済みのギターを凌駕する勢い(ノイズは多いけどね)。
此れを弄ったら・・・・・・・。
そんな訳で、ストラト用のピックアップを買っちゃったんです。
で、ノイズを出さない配線の引き回し。簡単ですよー、でもメンドイですよー・・・。
出力のフォーンジャックへ全て落とします。
どうせ繋がるんだから。と、途中で線を繋いで少ない本数にしたら貴方は基本が判っていない。
とんでもない本数がジャックへ繋がりますが、此の通りにして下さい。
更に、弦アース(ストラトの場合はスプリングホルダー)、ボディアース(導電塗料)、ピックガードの裏面アルミ箔、からも、単独でジャックへ配線します。
そうなんですよ。アースは全て別々にアースポイントへ引くのが基本です。
僕の作るアンプも、アースポイントへは凄い数のアースラインがまとめて有ります。
今回はモノラルジャックを想定しました(部品は一切換えない)。
ステレオジャックの配線は明日アップします。
ステレオジャックを使っても、自作シールドにすればアンプ側は一切弄らないで大丈夫です。
勿論、ステレオジャック+自作シールドの方がノイズも少ないですし音質もアップします。
僕の勧める自作シールド。市販の高額なシールドよりも安価です。
只今の状態。ノイズで悩む筈のシングルコイルでも一切ノイズは有りません。
ですので、ノイズ対策でのハムは必要ないんですね。
ハムの音色が欲しい時だけに成ります。
で、此の配線の引き回し変更。本当に効くんですよ。4本のギターを順次換えたのですが、仕事の合間を盗んでと言う状態でしたから、どれをやったかなー・・・・(日記にはつけて有る)?
ある日、1本のギターで遊んでいた。なんか音の抜けが今一。日記を見たら配線変更をしていなかった(記憶ではしたと勘違い)。他のギターが変更済みなので、其方の音が僕の標準に・・。
慌てて変更したら不満点が解消。
さて、預かったギター。一切弄っていません。それなのにチューン済みのギターを凌駕する勢い(ノイズは多いけどね)。
此れを弄ったら・・・・・・・。
そんな訳で、ストラト用のピックアップを買っちゃったんです。
晩酌も終わり、先の回路を見直します。
素人さんには此れじゃないと駄目かも知れないけど、電気屋さんにはチンプンカンプン。
で、極普通の回路図を起こしました。
先にアップした実体図を判り易い回路図にしたものです。
こちらの方が判らない。と思ったらギターの改造は諦めて下さい。電気をなめています。
基本的にアメプロストラトと全く同じ。
トレブル・ブリード回路だけ入っていませんが、あんなの要らないので・・・。
セレクターは2回路3接点。
トーン1はネックピックアップにだけ効きます。
トーン2はミッドとブリッジピックアップに効きます。
でもアースラインが酷過ぎる。此れではノイズの餌食。
これから、パーツは一切換えないでノイズを減らす配線の引き回しをアップします。
乞うご期待。
もう一度、回路を軽く見直し。
3個のピックアップを単独で使う場合は問題ないけど、ネックピックアップとミドルピックアップのハーフトーン。
トーン回路・・・・・。気付きました。
ハーフトーンにすると、トーンは1,2両方が効きます。ナンダカナー・・・・。
トーン回路が二つパラレルに入るので、柔らかい音と言えば褒め言葉ですけど、高域の甘い音(正確に言うと高域カット)に成るんですけどね。
あ、僕の4本のギター。トーン回路は完全になくしています。
一番高域が出るポジションでも、僅かにカットが効いてしまいます。
此の位置で接点が切れる(離れる)ポットも有るようです。その場合だけトーン回路がワルサをしません。
基本。ギター内蔵のトーン回路は、高域を目一杯にした位置でも若干の高域(倍音)カット。
ピックアップの出力を周波数特性的にはフラットには出せません。
高域を上げ下げするのではなく、目一杯で若干の高域下がり。高域を持ち上げる動作は出来ません。
オーディオアンプのトーンコントロールとは違うのです。
で、僕は倍音を大事にしたいので、トーン回路は切っています
素人さんには此れじゃないと駄目かも知れないけど、電気屋さんにはチンプンカンプン。
で、極普通の回路図を起こしました。
先にアップした実体図を判り易い回路図にしたものです。
こちらの方が判らない。と思ったらギターの改造は諦めて下さい。電気をなめています。
基本的にアメプロストラトと全く同じ。
トレブル・ブリード回路だけ入っていませんが、あんなの要らないので・・・。
セレクターは2回路3接点。
トーン1はネックピックアップにだけ効きます。
トーン2はミッドとブリッジピックアップに効きます。
でもアースラインが酷過ぎる。此れではノイズの餌食。
これから、パーツは一切換えないでノイズを減らす配線の引き回しをアップします。
乞うご期待。
もう一度、回路を軽く見直し。
3個のピックアップを単独で使う場合は問題ないけど、ネックピックアップとミドルピックアップのハーフトーン。
トーン回路・・・・・。気付きました。
ハーフトーンにすると、トーンは1,2両方が効きます。ナンダカナー・・・・。
トーン回路が二つパラレルに入るので、柔らかい音と言えば褒め言葉ですけど、高域の甘い音(正確に言うと高域カット)に成るんですけどね。
あ、僕の4本のギター。トーン回路は完全になくしています。
一番高域が出るポジションでも、僅かにカットが効いてしまいます。
此の位置で接点が切れる(離れる)ポットも有るようです。その場合だけトーン回路がワルサをしません。
基本。ギター内蔵のトーン回路は、高域を目一杯にした位置でも若干の高域(倍音)カット。
ピックアップの出力を周波数特性的にはフラットには出せません。
高域を上げ下げするのではなく、目一杯で若干の高域下がり。高域を持ち上げる動作は出来ません。
オーディオアンプのトーンコントロールとは違うのです。
で、僕は倍音を大事にしたいので、トーン回路は切っています
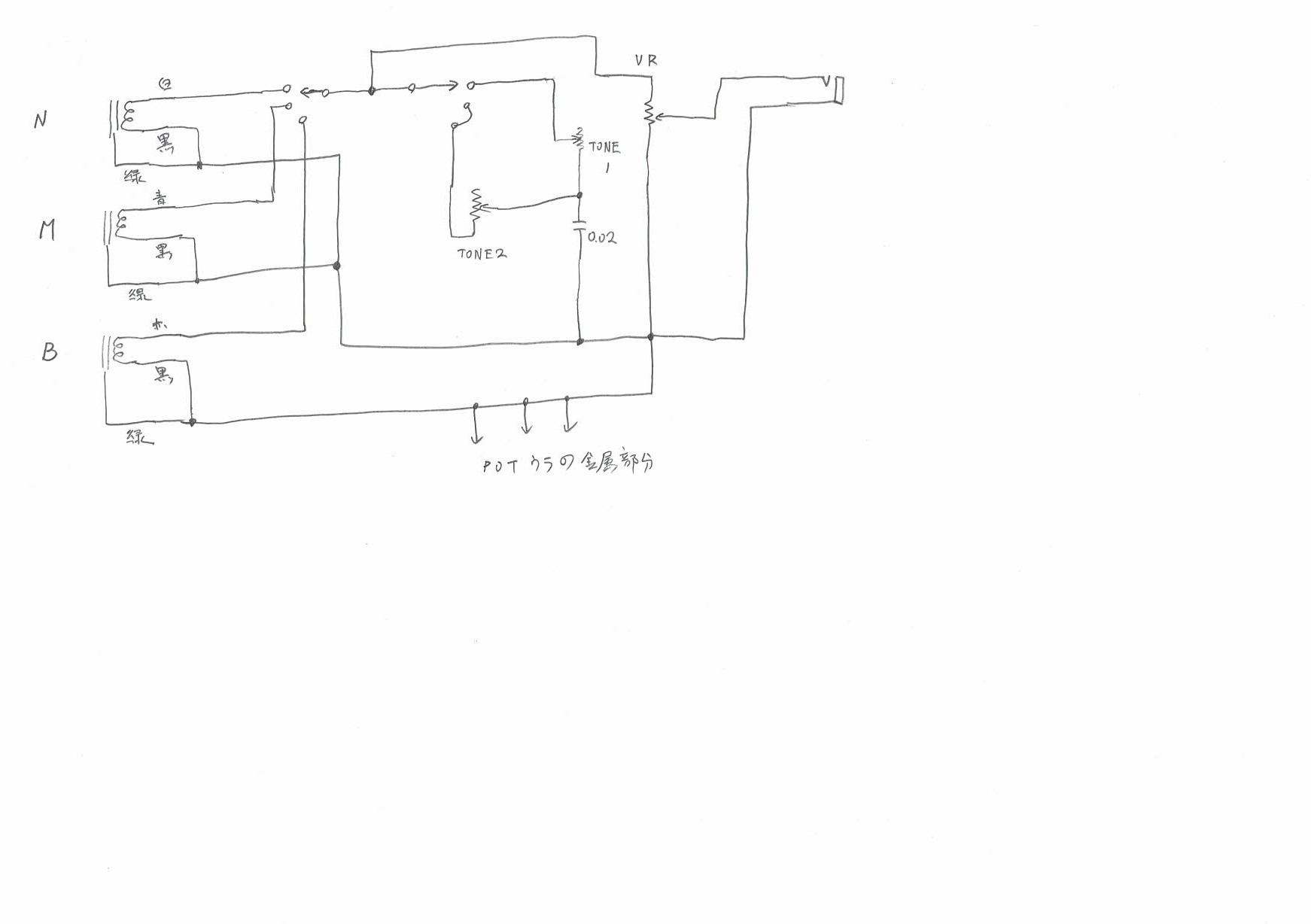
今回のピックアップに付属していた配線図です。
実体図だけなのが、如何にもギターの世界らしい。
此れを通常の回路図へ書き直し、更に正しい配線をアップします。
もう少し時間を下さい。
此の回路図、電気屋さんには見せない事。ギター界のレベルがばれます。
正直、電気屋さんには此の回路図は通用しません。
要は、切り替えSWの内部回路が書いていないんですね。
更にピックアップから出ている3本の線の意味(ピックアップ内の接続)も判りません。
僕も、初めは此の回路図に頭真っ白。
1年間の経験で慣れましたけど、一般電気屋さんには通用しない回路図です。
要は道路地図。勝手な記号で書かれたら読めないじゃないですか。
ギター界の電気のレベルを上げるには、まず一般に通用する電気回路が書ける。
此処から始めないと駄目ですね。
実体図だけなのが、如何にもギターの世界らしい。
此れを通常の回路図へ書き直し、更に正しい配線をアップします。
もう少し時間を下さい。
此の回路図、電気屋さんには見せない事。ギター界のレベルがばれます。
正直、電気屋さんには此の回路図は通用しません。
要は、切り替えSWの内部回路が書いていないんですね。
更にピックアップから出ている3本の線の意味(ピックアップ内の接続)も判りません。
僕も、初めは此の回路図に頭真っ白。
1年間の経験で慣れましたけど、一般電気屋さんには通用しない回路図です。
要は道路地図。勝手な記号で書かれたら読めないじゃないですか。
ギター界の電気のレベルを上げるには、まず一般に通用する電気回路が書ける。
此処から始めないと駄目ですね。
左手が今一で退屈・・・・・。
そんな訳で、しつこく行きます。
さっきからシールド線はコンデンサーなんてぬかしているけど、一体どの程度なのよ・・?
そう。実測もしないで書くのは机上の理論。僕の嫌いな方法です。
で・・・・・・・。
業界ではそれなりの評価の有るカナレのシールド。長さは2m。
コイツのキャパシタンス(容量)を実測。
多いと言うか、此の程度と言うか・・の160pF(ピコファラッドと読みます。通常はピコのみ)。
此の値は通常コンデンサーに使われるμF(マイクロファラッド)のなんと1/1000000です。
中間にnFが有りますが、一般には使われません。
じゃあ、此れを計算式に当てはめます。要はカットオフ周波数を計算します。
チョイと意地悪で、テレキャスのポットが1MΩですから、インピーダンスを1MΩとして計算。
計算式は 159÷(インピーダンス×キャパシター)
インピーダンスの単位はkΩ キャパシターはμF
159÷(1000×0,00016)= 993,7
もうお判りですよね。1kHz以上はダラ下がり。これじゃ倍音成分は・・・・・・。
ハムバッカーの500kΩで二倍の周波数。シングルコイルの250kΩで4倍の周波数。
此の数字をどう捉えるかはお任せします。
ちなみに、僕の作ったシールドも測定(長さは同じ)。
ウソでしょ(と僕も驚いた)。なんと16pF。
しかも僕の場合はトランスでインピーダンスを1/4に下げている。
倍音たっぷりの訳が納得出来ました。
序でに・・・(しつこい、汗)。
じゃあ、ピンキー君のギターのカットオフ周波数は・・(この場合、電気的に此の周波数以下はフラット)。
ポットは100kΩ。シールドのキャパシタンスは16pF。
上記の計算式に当て嵌めます。
99375Hz。もう聞こえませんね(笑)。
そんな訳で、しつこく行きます。
さっきからシールド線はコンデンサーなんてぬかしているけど、一体どの程度なのよ・・?
そう。実測もしないで書くのは机上の理論。僕の嫌いな方法です。
で・・・・・・・。
業界ではそれなりの評価の有るカナレのシールド。長さは2m。
コイツのキャパシタンス(容量)を実測。
多いと言うか、此の程度と言うか・・の160pF(ピコファラッドと読みます。通常はピコのみ)。
此の値は通常コンデンサーに使われるμF(マイクロファラッド)のなんと1/1000000です。
中間にnFが有りますが、一般には使われません。
じゃあ、此れを計算式に当てはめます。要はカットオフ周波数を計算します。
チョイと意地悪で、テレキャスのポットが1MΩですから、インピーダンスを1MΩとして計算。
計算式は 159÷(インピーダンス×キャパシター)
インピーダンスの単位はkΩ キャパシターはμF
159÷(1000×0,00016)= 993,7
もうお判りですよね。1kHz以上はダラ下がり。これじゃ倍音成分は・・・・・・。
ハムバッカーの500kΩで二倍の周波数。シングルコイルの250kΩで4倍の周波数。
此の数字をどう捉えるかはお任せします。
ちなみに、僕の作ったシールドも測定(長さは同じ)。
ウソでしょ(と僕も驚いた)。なんと16pF。
しかも僕の場合はトランスでインピーダンスを1/4に下げている。
倍音たっぷりの訳が納得出来ました。
序でに・・・(しつこい、汗)。
じゃあ、ピンキー君のギターのカットオフ周波数は・・(この場合、電気的に此の周波数以下はフラット)。
ポットは100kΩ。シールドのキャパシタンスは16pF。
上記の計算式に当て嵌めます。
99375Hz。もう聞こえませんね(笑)。
