少しずつこなしています、受けた仕事。
で、最近多いのは修理依頼。
作るのよりも修理を優先していますので、其方に掛かるのが多くなっています。
壊れ易いんじゃなくて、この仕事を37年間もして来ましたので、個人で細々とやっていたのですが、いつの間にか結構な数を作って来ました。
20年、30年前に作った物の修理が多く成ったのです。
僕の自慢は、過去に作った物の修理を断った事は一度も有りません。全て治しています。
昨日も、そんな修理で渋谷まで行って来ました。考えられるだけのパーツを持って現地修理です。
お店ですので預かるのは極力避けたかったのですね。
無事に修理完了。
で、今日から始めたのが・・・・・・・。
ネットワークのコイルです。
写真ではサイズが判らないと思いますが、高さが38mm。内側の穴の径が35mmです。
線材は得意の2mm径のエナメル線。
2mmも有ると、線と言うよりも棒に近い(汗)。
今回のネットワークは4ウェイですので、巻くコイルの数も半端では有りません。
更にバイアンプ(4ch共)方式ですからダミーのコイルも必要です。
全てを巻く訳ではなく、従来使っていたネットワークをばらし、使える物は再利用。
コンデンサーもしかりです。
ネットワークのコンデンサー(フィルムコン)やコイルは半永久的に使えますので、パーツの再利用は経済的ですし地球にも優しい(笑)。
ジックリと良い物を作らせて貰います。
オイルコンの再利用はお勧め出来ません。
容量を測ってみればおのずとお判りに成るかと・・・・。
で、最近多いのは修理依頼。
作るのよりも修理を優先していますので、其方に掛かるのが多くなっています。
壊れ易いんじゃなくて、この仕事を37年間もして来ましたので、個人で細々とやっていたのですが、いつの間にか結構な数を作って来ました。
20年、30年前に作った物の修理が多く成ったのです。
僕の自慢は、過去に作った物の修理を断った事は一度も有りません。全て治しています。
昨日も、そんな修理で渋谷まで行って来ました。考えられるだけのパーツを持って現地修理です。
お店ですので預かるのは極力避けたかったのですね。
無事に修理完了。
で、今日から始めたのが・・・・・・・。
ネットワークのコイルです。
写真ではサイズが判らないと思いますが、高さが38mm。内側の穴の径が35mmです。
線材は得意の2mm径のエナメル線。
2mmも有ると、線と言うよりも棒に近い(汗)。
今回のネットワークは4ウェイですので、巻くコイルの数も半端では有りません。
更にバイアンプ(4ch共)方式ですからダミーのコイルも必要です。
全てを巻く訳ではなく、従来使っていたネットワークをばらし、使える物は再利用。
コンデンサーもしかりです。
ネットワークのコンデンサー(フィルムコン)やコイルは半永久的に使えますので、パーツの再利用は経済的ですし地球にも優しい(笑)。
ジックリと良い物を作らせて貰います。
オイルコンの再利用はお勧め出来ません。
容量を測ってみればおのずとお判りに成るかと・・・・。
本当に暫くぶりのネットワーク製作。
今迄は、結構な数をこなしていたので、頭の中は流れ作業。
これって、結構危ない。
暫くぶりにネットワークの定数計算。
で・・・・・?
アンプの出力インピーダンスを考え無くて良いのかなー・・・?
一般メーカーの立場としては、使うアンプに応じて、ネットワークの定数を変えるなんて、絶対に出来ないですけど、僕の場合は出来る。
完全にオーダーメードですから(笑)。
疑問が生じるとその結果が知りたいですよね。
今回のネットワーク。パワーアンプも預かっています。
疑問を解消しなくちゃ・・。
此処迄ネットワークを考えているんですね。
市販の、8Ω1kHz、とうたっているネットワーク。
机上の理論値です(使うユニットが判らないのですから仕方が無い)。
ネットワークはオーダーメード以外は使い物に成りません(音が出る程度です)。
勿論、オーダーメードの場合も確認。
使う素子をアピール(ナニナニのコンデンサー、ナニナニのコイル)したら似非ものです。
過去に驚いた事があります。ネットワークのコイルにリッツ線を使っていたんですね。ユーザーが素人で簡単に騙せる(もしもリッツ線のコイルを本当に信じていたなら、即看板を下ろすべきです)、って思っていたんですかね。
本物って単純なんですよ。売る為のキャッチフレーズなんて有りません。
シンプルでシッカリと作って有る物。それを探しましょう。
今迄は、結構な数をこなしていたので、頭の中は流れ作業。
これって、結構危ない。
暫くぶりにネットワークの定数計算。
で・・・・・?
アンプの出力インピーダンスを考え無くて良いのかなー・・・?
一般メーカーの立場としては、使うアンプに応じて、ネットワークの定数を変えるなんて、絶対に出来ないですけど、僕の場合は出来る。
完全にオーダーメードですから(笑)。
疑問が生じるとその結果が知りたいですよね。
今回のネットワーク。パワーアンプも預かっています。
疑問を解消しなくちゃ・・。
此処迄ネットワークを考えているんですね。
市販の、8Ω1kHz、とうたっているネットワーク。
机上の理論値です(使うユニットが判らないのですから仕方が無い)。
ネットワークはオーダーメード以外は使い物に成りません(音が出る程度です)。
勿論、オーダーメードの場合も確認。
使う素子をアピール(ナニナニのコンデンサー、ナニナニのコイル)したら似非ものです。
過去に驚いた事があります。ネットワークのコイルにリッツ線を使っていたんですね。ユーザーが素人で簡単に騙せる(もしもリッツ線のコイルを本当に信じていたなら、即看板を下ろすべきです)、って思っていたんですかね。
本物って単純なんですよ。売る為のキャッチフレーズなんて有りません。
シンプルでシッカリと作って有る物。それを探しましょう。
追記で書こうかとも思ったのですが、結構重要ですので・・。
市販のスピーカー。ネットワークはエンクロージャー内に納められています。
電気の基本に戻って考えて見ましょう。
どう考えても、ネットワークはパワーアンプの直ぐ近くに置き、各ユニットへケーブルを引っ張る。
この方が正解と考えて、実験しました(10年以上前)。
結果はニコニコ。
一般市販のスピーカーをお使いの方。
ネットワークを取り外し、パワーアンプの直ぐ横へ設置。
各周波数帯域ごとにスピーカーケーブルを引く。
お金の掛からないチューニングです。
でも此れをやると、プアーなネットワークが丸見え。
つい、作り直したくなっちゃうんですよねー・・・。
最悪なのがプリント基板で作ってあるネットワーク。コストダウン以外にメリットはゼロ。
少なくとも高級スピーカーに使っていたらメーカーの良心を疑います。
で、対策法(此れがメイン)。基板に沿って錫メッキ線を裏打ち。結構効きますよ(昔タンノイで散々行いましたので)。
市販のスピーカー。ネットワークはエンクロージャー内に納められています。
電気の基本に戻って考えて見ましょう。
どう考えても、ネットワークはパワーアンプの直ぐ近くに置き、各ユニットへケーブルを引っ張る。
この方が正解と考えて、実験しました(10年以上前)。
結果はニコニコ。
一般市販のスピーカーをお使いの方。
ネットワークを取り外し、パワーアンプの直ぐ横へ設置。
各周波数帯域ごとにスピーカーケーブルを引く。
お金の掛からないチューニングです。
でも此れをやると、プアーなネットワークが丸見え。
つい、作り直したくなっちゃうんですよねー・・・。
最悪なのがプリント基板で作ってあるネットワーク。コストダウン以外にメリットはゼロ。
少なくとも高級スピーカーに使っていたらメーカーの良心を疑います。
で、対策法(此れがメイン)。基板に沿って錫メッキ線を裏打ち。結構効きますよ(昔タンノイで散々行いましたので)。
本当に暫くぶりのネットワーク作りです。
ネットワークの定数計算式はメモってあったのですが、ダミーロードの計算式が・・・・・・・(汗)。
もう一度基本に返り想定問題集・・。
要は、各LCのリアクタンスを計算して、過去のネットワークの回路と比べたんですね(お客様のネットワークの定数はカルテに記入済み)。
その定数を読み解くと、計算式が出て来ます(そんなに大した式じゃないんですが)。
ヤット、昔の脳みそに戻りました。ネットワークを作っていた頃の脳みそに。
こう成ると動きは早い。世の中の10連休中も働きます(込んでるシャバに出たくない)。
只今、前のネットワークの分解中。使える部品の選定です。
チョイ疲れたのでコーヒータイム。その間のアップ(笑)。
先にアップしました回路図で気付いたでしょうが、オイロダインのホーンとウーハーは600Hzで繋ぎます。
オリジナルは500Hz。これも散々弄りましたし測定もしました。
結論、あのホーンのサイズでは500Hzは厳しい。
そんな訳での600Hzへの変更です。
兎に角、オリジナルのネットワークは酷過ぎ。鉄板の上に組んでいるし、定数も机上値。
ユニットのインピーダンスを測っていないのがミエミエです。
更に都合が悪いのが、ウーハーのインピーダンスは15Ω無いので、マッチングトランスを入れています。これの品質も・・・・・。
オイロダイン。ネットワークの新造とフレーム強化で生まれ変わります(当方から購入されたオイロダインは全て実施済み)。
でも、何度も言いますが、オイロダインに殆どの予算をつぎ込んで、プレーヤーとアンプがプアーですと最悪の結果に成りますのでご用心。
ネットワーク回路図の右側に書いて有る抵抗値は、各ユニットのクロス周波数での実測値です。
ミッドハイ、ハイには国産ユニット。流石にインピーダンスが正確です。
海外製は殆ど信用出来ません。
つまりネットワークの自作には、ユニットのインピーダンス測定が必須なんです。
中古ユニットの場合は健康状態も判りますし・・。
ネットワークの定数計算式はメモってあったのですが、ダミーロードの計算式が・・・・・・・(汗)。
もう一度基本に返り想定問題集・・。
要は、各LCのリアクタンスを計算して、過去のネットワークの回路と比べたんですね(お客様のネットワークの定数はカルテに記入済み)。
その定数を読み解くと、計算式が出て来ます(そんなに大した式じゃないんですが)。
ヤット、昔の脳みそに戻りました。ネットワークを作っていた頃の脳みそに。
こう成ると動きは早い。世の中の10連休中も働きます(込んでるシャバに出たくない)。
只今、前のネットワークの分解中。使える部品の選定です。
チョイ疲れたのでコーヒータイム。その間のアップ(笑)。
先にアップしました回路図で気付いたでしょうが、オイロダインのホーンとウーハーは600Hzで繋ぎます。
オリジナルは500Hz。これも散々弄りましたし測定もしました。
結論、あのホーンのサイズでは500Hzは厳しい。
そんな訳での600Hzへの変更です。
兎に角、オリジナルのネットワークは酷過ぎ。鉄板の上に組んでいるし、定数も机上値。
ユニットのインピーダンスを測っていないのがミエミエです。
更に都合が悪いのが、ウーハーのインピーダンスは15Ω無いので、マッチングトランスを入れています。これの品質も・・・・・。
オイロダイン。ネットワークの新造とフレーム強化で生まれ変わります(当方から購入されたオイロダインは全て実施済み)。
でも、何度も言いますが、オイロダインに殆どの予算をつぎ込んで、プレーヤーとアンプがプアーですと最悪の結果に成りますのでご用心。
ネットワーク回路図の右側に書いて有る抵抗値は、各ユニットのクロス周波数での実測値です。
ミッドハイ、ハイには国産ユニット。流石にインピーダンスが正確です。
海外製は殆ど信用出来ません。
つまりネットワークの自作には、ユニットのインピーダンス測定が必須なんです。
中古ユニットの場合は健康状態も判りますし・・。
最近はノウハウ大放出です(笑)。
長年のお付き合いのお客様から、ネットワークを頼まれました。
オイロダインをベースに4ウェイ化です。
過去に実績が有りますので、迷いは有りません。
更に贅沢に、各ユニットを別々のパワーアンプで駆動するバイアンプ方式。
僕の経験から、ユニットの数だけパワーアンプは必要です。
長いお付き合いで、結構な数のパワーアンプをお買い上げ頂きました。
其れを全部使えば、新しくアンプを作る必要が有りません。
アンプを作らないで良いので、迷わずお勧めしたのです。
スピーカーユニットも新規購入がないのですから、僕も安心です(余計な出費が要らない)。
ネットワークも今現在の物を再利用。コイル調整は解く方向ですので大丈夫です。
若干足らないコイルを巻くだけです。
で、全回路図。
左側のCとLはダミーロードです。
各パワーアンプはフルレンジで動作します。
スピーカーへは必要帯域だけ送り込みます。
余った帯域を消費させる為なのです(此れをしないとネットワークでキチッと切れません)。
定電圧出力の半導体アンプなら必要の無い物ですし、此れを付けるとアンプが壊れます(笑)。
トランス出力でノンNFアンプの定電力駆動ですので必要なんですね。
今回は定数もアップしました。理論の判る方ならハハ~~~~~~ン。
此の定数の求め方の質問は受け付けません(笑)。
パズルを解く感じでチャレンジして下さい。
チョイだけど重要なヒント。
各素子のリアクタンスを計算して下さい。答えが見つかります。
ネットワーク素子のリアクタンスの計算も大事です。
ネットワークの本当の姿が見えて来ます。
長年のお付き合いのお客様から、ネットワークを頼まれました。
オイロダインをベースに4ウェイ化です。
過去に実績が有りますので、迷いは有りません。
更に贅沢に、各ユニットを別々のパワーアンプで駆動するバイアンプ方式。
僕の経験から、ユニットの数だけパワーアンプは必要です。
長いお付き合いで、結構な数のパワーアンプをお買い上げ頂きました。
其れを全部使えば、新しくアンプを作る必要が有りません。
アンプを作らないで良いので、迷わずお勧めしたのです。
スピーカーユニットも新規購入がないのですから、僕も安心です(余計な出費が要らない)。
ネットワークも今現在の物を再利用。コイル調整は解く方向ですので大丈夫です。
若干足らないコイルを巻くだけです。
で、全回路図。
左側のCとLはダミーロードです。
各パワーアンプはフルレンジで動作します。
スピーカーへは必要帯域だけ送り込みます。
余った帯域を消費させる為なのです(此れをしないとネットワークでキチッと切れません)。
定電圧出力の半導体アンプなら必要の無い物ですし、此れを付けるとアンプが壊れます(笑)。
トランス出力でノンNFアンプの定電力駆動ですので必要なんですね。
今回は定数もアップしました。理論の判る方ならハハ~~~~~~ン。
此の定数の求め方の質問は受け付けません(笑)。
パズルを解く感じでチャレンジして下さい。
チョイだけど重要なヒント。
各素子のリアクタンスを計算して下さい。答えが見つかります。
ネットワーク素子のリアクタンスの計算も大事です。
ネットワークの本当の姿が見えて来ます。
コイルが巻き上がりました。
コイルを巻く場合過去のデーターを見て少々多めに巻きます。
で・・・。
コイルを実測して狙った値に成る迄解きます。その後テープでシッカリと固定。
コイルを巻く間、樹脂の硬化待ち時間も無駄にはしません。
ネットワークの下準備。
そんな訳で今の状態。
今回は最上仕様。取り付け板もタモの集成材(50mm厚)にウレタン塗装。
コンデンサーも思いっきり贅沢を。
ネットワークを作る時の注意点。金属シャシは絶対にご法度(非磁性体でもNG)。
一流メーカー製でも金属ケースに入っていたりしているのを見るとナメテンナって思います。
実際金属ケースを外して裸にすると音質が・・・(笑)。
もう少しで完成なんですが頭が疲れた。で、コーヒータイムです。
コイルを巻く場合過去のデーターを見て少々多めに巻きます。
で・・・。
コイルを実測して狙った値に成る迄解きます。その後テープでシッカリと固定。
コイルを巻く間、樹脂の硬化待ち時間も無駄にはしません。
ネットワークの下準備。
そんな訳で今の状態。
今回は最上仕様。取り付け板もタモの集成材(50mm厚)にウレタン塗装。
コンデンサーも思いっきり贅沢を。
ネットワークを作る時の注意点。金属シャシは絶対にご法度(非磁性体でもNG)。
一流メーカー製でも金属ケースに入っていたりしているのを見るとナメテンナって思います。
実際金属ケースを外して裸にすると音質が・・・(笑)。
もう少しで完成なんですが頭が疲れた。で、コーヒータイムです。
平面バッフル関係の製作が終わり、最後の仕事。
ネットワークの作成です。
僕のネットワークの考え方は、先日アップしました回路と定数でお判りと思います。
あの考え方でメーカー純正回路に負けた事が有りません。メーカーは僕よりもユニットについては詳しい筈なのに・・・・。
純正回路の定数の侭でパーツのみ良品に換えた場合と、定数も僕の考えで変更した物の聞き比べを散々しました。で・・・・・・・。
コイルは僕の手巻きです。兎に角手間が掛かりますが、良品が市販されていませんので仕方がないのです。
材料・・。
一巻き略30kg。こいつを旋盤の脇にセット。
旋盤に巻き枠を加えて手でユックリと廻しコイルを巻き上げます。
旋盤の重量は半端ではないので、シッカリとテンションを掛けられるのが良いんですね。
巻き終えて、樹脂の硬化待ち。
今回はクロス周波数が高いので助かります。
ネットワークの作成です。
僕のネットワークの考え方は、先日アップしました回路と定数でお判りと思います。
あの考え方でメーカー純正回路に負けた事が有りません。メーカーは僕よりもユニットについては詳しい筈なのに・・・・。
純正回路の定数の侭でパーツのみ良品に換えた場合と、定数も僕の考えで変更した物の聞き比べを散々しました。で・・・・・・・。
コイルは僕の手巻きです。兎に角手間が掛かりますが、良品が市販されていませんので仕方がないのです。
材料・・。
一巻き略30kg。こいつを旋盤の脇にセット。
旋盤に巻き枠を加えて手でユックリと廻しコイルを巻き上げます。
旋盤の重量は半端ではないので、シッカリとテンションを掛けられるのが良いんですね。
巻き終えて、樹脂の硬化待ち。
今回はクロス周波数が高いので助かります。
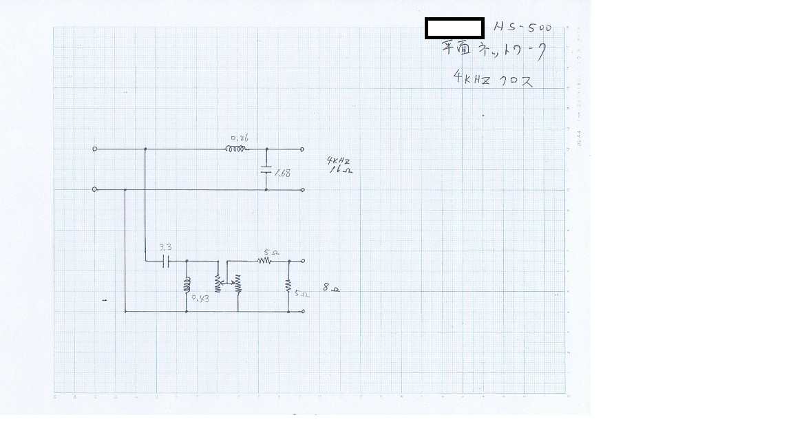
先日測定していたスピーカーユニット。
型番はアップしなかったのにシッカリとバレました(笑)。
見抜いた方へのお礼。
こんな感じの定数です。
アッテネーター後に入っている5Ωの抵抗2本。
これは変わるかも知れません。
ウーハーとツィーターの能率差が大きいのでアッテネーターだけで絞るとレベル調整に無理が出ます。
それの対策抵抗です。
で、此処にセメント抵抗やホーロー抵抗(メーカーは使っていますよね)の使用は禁止。
一般家庭でしたら可也の大音量の人でも1/2Wで十分です。
此処の抵抗が音質に与える影響は大きいですので良質な抵抗を使って下さい。
と言っても良質な抵抗は10Ω以上しか無いのが普通です。2本をパラレルにして使います。
さて、今日も暑くなりそう。此れからプレハブの中でダイエットに最適な作業が待っています(大汗)。
型番はアップしなかったのにシッカリとバレました(笑)。
見抜いた方へのお礼。
こんな感じの定数です。
アッテネーター後に入っている5Ωの抵抗2本。
これは変わるかも知れません。
ウーハーとツィーターの能率差が大きいのでアッテネーターだけで絞るとレベル調整に無理が出ます。
それの対策抵抗です。
で、此処にセメント抵抗やホーロー抵抗(メーカーは使っていますよね)の使用は禁止。
一般家庭でしたら可也の大音量の人でも1/2Wで十分です。
此処の抵抗が音質に与える影響は大きいですので良質な抵抗を使って下さい。
と言っても良質な抵抗は10Ω以上しか無いのが普通です。2本をパラレルにして使います。
さて、今日も暑くなりそう。此れからプレハブの中でダイエットに最適な作業が待っています(大汗)。
